产品目录

库存

询价品牌型号.数量
DAC NN3022K/  99
DAC NN3021K/P42 1
DAC NN3020K/  771
DAC NN3020K/P4W33 1
DAC NN3020K/P2 3
DAC NN3019K/ W33 96
DAC NN3019K/ 2W33 2
DAC NN3019K/  586
DAC NN3018K/ 2 36
DAC NN3017K/ W33 210
DAC NN3017K/ 2 1
DAC NN3017K/  472
DAC NN3016K/  297
DAC NN3016/P4 19
DAC NN3015K/  419
DAC NN3015K/P4W33 92
DAC NN3015K/P4 4
DAC NN3014K/ W33 350
DAC NN3014K/  361
DAC NN3013K/P4W33 1
UCPA 系列
UCPA 系列
  • UCPA 系列
  • UCPA 系列
>>
<<
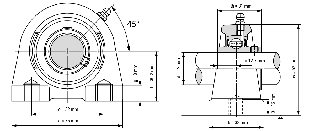
SelectInquiry单元型号尺寸 (mm/in.) 孔径 mm/in.轴承型号轴承座型号重量(kg)
dhaebsglwBn
UCPA201 12 30.2 76 52 40 M10 11 15 62 31 12.7 M10 UC201 PA201 0.63
UCPA 201-8 1/2 1-3/16 3 2-3/64 1-9/16 M10 7/16 19/32 2-7/16 1.2205 0.5 M10 UC201-8 PA201 0.62
UCPA202 15 1-3/16 3 2-3/64 1-9/16 M10 7/16 19/32 2-7/16 1.2205 0.5 M10 UC202 PA202 0.62
UCPA 202-9 9/16 1-3/16 3 2-3/64 1-9/16 M10 7/16 19/32 2-7/16 1.2205 0.5 M10 UC202-9 PA202 0.62
UCPA 202-10 5/8 1-3/16 3 2-3/64 1-9/16 M10 7/16 19/32 2-7/16 1.2205 0.5 M10 UC202-10 PA202 0.62
UCPA203 17 1-3/16 3 2-3/64 1-9/16 M10 7/16 19/32 2-7/16 1.2205 0.5 M10 UC203 PA203 0.61
UCPA 203-11 11/16 1-3/16 3 2-3/64 1-9/16 M10 7/16 19/32 2-7/16 1.2205 0.5 M10 UC203-11 PA203 0.6
UCPA204 20 30.2 76 32 40 M10 11 15 2-7/16 1.2205 0.5 M10 UC204 PA204 0.589
UCPA 204-12 3/4 1-3/16 3 2-3/64 1-9/16 M10 7/16 19/32 2-7/16 1.2205 0.5 M10 UC204-12 PA204 0.589
UCPA205 25 36.5 84 56 38 M10 12 15 72 34.1 14.3 M10 UC205 PA205 0.756
UCPA 205-13 13/16 1-7/16 3-5/16 2-13/64 1-1/2 M10 15/32 19/32 2-53/64 1.3425 0.563 M10 UC205-13 PA205 0.793
UCPA 205-14 7/8 1-7/16 3-5/16 2-13/64 1-1/2 M10 15/32 19/32 2-53/64 1.3425 0.563 M10 UC205-14 PA205 0.783
UCPA 205-15 15/16 1-7/16 3-5/16 2-13/64 1-1/2 M10 15/32 19/32 2-53/64 1.3425 0.563 M10 UC205-15 PA205 0.763
UCPA 205-16 1 1-7/16 3-5/16 2-13/64 1-1/2 M10 15/32 19/32 2-53/64 1.3425 0.563 M10 UC205-16 PA205 0.753
UCPA206 30 42.9 94 66 50 M14 12 18 84 38.1 15.9 M14 UC206 PA206 1.116
UCPA 206-17 1-1/16 1-11/16 3-45/64 2-19/32 1-31/32 M14 15/32 45/64 3-5/16 1.5 0.626 M14 UC206-17 PA206 1.126
UCPA 206-18 1-1/8 1-11/16 3-45/64 2-19/32 1-31/32 M14 15/32 45/64 3-5/16 1.5 0.626 M14 UC206-18 PA206 1.136
UCPA 206-19 1-3/16 1-11/16 3-45/64 2-19/32 1-31/32 M14 15/32 45/64 3-5/16 1.5 0.626 M14 UC206-19 PA206 1.116
UCPA 206-20 1-1/4 1-11/16 3-45/64 2-19/32 1-31/32 M14 15/32 45/64 3-5/16 1.5 0.626 M14 UC206-20 PA206 1.106
UCPA207 35 47.6 110 80 55 M14 13 20 95 42.9 17.5 M14 UC207 PA207 1.546
上一页123 下一页
>>
<<