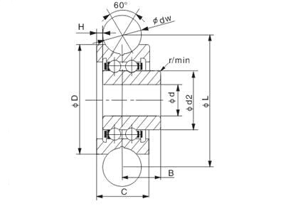
Scan to online chat| Select | Inquiry | 型号 | 尺寸(mm) | 载荷(KN) | 重量 | ||||||||
|---|---|---|---|---|---|---|---|---|---|---|---|---|---|
| dw | d | D | C | B | L | d2 | H | Cw | Cow | (Kg) | |||
| SG15 | 6 | 5 | 17 | 8 | 5.75 | 20.46 | 8.6 | 1 | 1.27 | 0.82 | 8 | ||
| SG15-10 | 10 | 5 | 17 | 8 | 5.75 | 25.5 | 8.6 | 1 | 1.27 | 0.82 | 9 | ||
| SG20 | 8 | 6 | 24 | 11 | 7.25 | 28.62 | 11.1 | 1.2 | 3.4 | 1.7 | 25 | ||
| SG25 | 10 | 8 | 30 | 14 | 8.5 | 35.77 | 13 | 1.5 | 3.67 | 2.28 | 49 | ||
| SG35 | 12 | 12 | 42 | 19 | 12.5 | 48.93 | 18 | 1.5 | 8.5 | 5.1 | 136 | ||
| SG15N | 6 | 5 | 17 | 8 | 5.75 | 20.46 | 8.6 | 0.5 | 1.27 | 0.82 | 8 | ||
| SG20N | 8 | 6 | 24 | 11 | 7.25 | 28.62 | 11.1 | 0.7 | 3.4 | 1.7 | 25 | ||
| SG25N | 10 | 8 | 30 | 14 | 8.5 | 35.77 | 13 | 1 | 3.67 | 2.28 | 49 | ||
| SG35N | 12 | 12 | 42 | 19 | 12.5 | 48.93 | 18 | 1 | 8.5 | 5.1 | 136 | ||