Junyuebearing01@hotmail.com
Skype:dacbearing
EN |
中
首页
关于我们
公司介绍
使命与愿景
产品中心
深沟球轴承
圆柱滚子轴承
调心滚子轴承
自调心球轴承
角接触球轴承
圆锥滚子轴承
推力球轴承
推力滚子轴承
带座轴承
轧机轴承
印刷机轴承
油田轴承
滚针轴承
关节轴承
螺旋滚子轴承
最新现货
客户服务
售后服务
我们的优势
行业新闻
联系我们
获取报价
请求报价
请填写下面的表格,我们会直接与您联系
首页
/
产品目录
/
带座轴承
/
外球面轴承
/
SER 系列
产品目录
深沟球轴承
单列深沟球轴承
双列深沟球轴承
圆柱滚子轴承
圆柱滚子轴承
偏心轴承
调心滚子轴承
22200 系列
22300 系列
21300 系列
23000 系列
23100 系列
23200 系列
23900 系列
24000 系列
24100 系列
MB 系列
BS 系列
调心球轴承
1200 系列
1300 系列
2200 系列
2300 系列
角接触球轴承
单列角接触球轴承
双列角接触球轴承
四点角接触球轴承
圆锥滚子轴承
公制圆锥滚子轴承
英制圆锥滚子轴承
推力球轴承
51100 系列
51200 系列
51300 系列
51400 系列
推力滚子轴承
推力调心滚子轴承
推力圆柱滚子轴承
带座轴承
UCP 系列
UCF 系列
UCFL 系列
UCT 系列
UCFC 系列
UCPH200 系列
UCHA200 系列
UCPA 系列
冲压钢带座轴承
外球面轴承
轧机轴承
FC 系列
NNU 系列
FCD 系列
背衬轴承
印刷机轴承
海德堡机系列
罗兰印机系列
其它行业非标
直线轴承
油田轴承
油田用轴承
转盘轴承
滚针轴承
HK 系列
BK 系列
NA 系列
NATR 系列
NK 系列
RNA 系列
NUTR 系列
K 系列
关节轴承
GE...(E)ES
GE...(E)ES-2RS
GE...FW
GE...FW-2RS
GE...HO-2RS
GE...LO
GE...UK
GE...UK-2RS
GEBJ...S
GEBK...S
GEG...(E)ES
GEG...(E)ES-2RS
杆端关节轴承
球头杆端关节轴承
螺旋滚子轴承
库存
询价
品牌
型号.
数量
DAC
NN3022K/
99
DAC
NN3021K/P42
1
DAC
NN3020K/
771
DAC
NN3020K/P4W33
1
DAC
NN3020K/P2
3
DAC
NN3019K/ W33
96
DAC
NN3019K/ 2W33
2
DAC
NN3019K/
586
DAC
NN3018K/ 2
36
DAC
NN3017K/ W33
210
DAC
NN3017K/ 2
1
DAC
NN3017K/
472
DAC
NN3016K/
297
DAC
NN3016/P4
19
DAC
NN3015K/
419
DAC
NN3015K/P4W33
92
DAC
NN3015K/P4
4
DAC
NN3014K/ W33
350
DAC
NN3014K/
361
DAC
NN3013K/P4W33
1
关键词
型号
d:
D:
B:
高级搜索
实物图
二维图
下载
PDF
实物图
二维图
联系方式
Junyuebearing01@hotmail.com
电话:010-57260382
Skype:dacbearing
Wechat:
Scan to online chat
SER 系列
根据技术参数搜索
提交需求
系列对比
>>
<<
Select
Inquiry
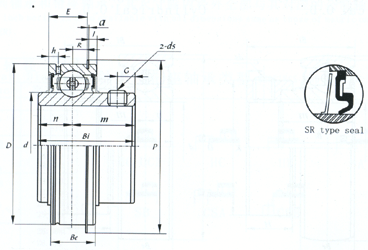
轴承型号
d
尺寸(mm)
(mm)
(in.)
D
Bi
Be
n
j
a
h
P
G
ds
SER201
12
47
31
15.9
12.7
2.38
1.07
4
52.7
5
M6x1
SER201-8
12.7
1/2
47
31
15.9
12.7
2.38
1.07
4
52.7
5
1/4-28UNF
SER202
15
47
31
15.9
12.7
2.38
1.07
4
52.7
5
M6x1
SER202-10
15.875
5/8
47
31
15.9
12.7
2.38
1.07
4
52.7
5
1/4-28UNF
SER203
17
47
31
15.9
12.7
2.38
1.07
4
52.7
5
M6x1
SER203-11
17.463
11/16
47
31
15.9
12.7
2.38
1.07
4
52.7
5
1/4-28UNF
SER204-12
19.05
3/4
47
31
15.9
12.7
2.38
1.07
4
52.7
5
1/4-28UNF
SER204
20
47
31
15.9
12.7
2.38
1.07
4
52.7
5
M6x1
SER205-14
22.225
7/8
52
34.9
19
13.1
2.38
1.07
5.2
57.9
5.5
1/4-28UNF
SER205-15
23.813
15/16
52
34.9
19
13.1
2.38
1.07
5.2
57.9
5.5
1/4-28UNF
SER205
25
52
34.9
19
13.1
2.38
1.07
5.2
57.9
5.5
M6x1
SER205-16
25.4
1
52
34.9
19
13.1
2.38
1.07
5.2
57.9
5.5
1/4-28UNF
SER206-18
28.575
1 1/8
62
38.1
22.2
15.9
3.18
1.65
5.6
67.7
5.5
1/4-28UNF
SER206
30
62
38.1
22.2
15.9
3.18
1.65
5.6
67.7
5.5
M8x1.0
SER206-19
30.163
1 3/16
62
38.1
22.2
15.9
3.18
1.65
5.6
67.7
5.5
1/4-28UNF
SER206-20
31.75
1 1/4
62
38.1
22.2
15.9
3.18
1.65
5.6
67.7
5.5
1/4-28UNF
SER207-20
31.75
1 1/4
72
42.9
23.8
17.5
3.18
1.65
5.6
78.6
6.5
5/16-24UNF
SER207-21
33.338
1 5/16
72
42.9
23.8
17.5
3.18
1.65
5.6
78.6
6.5
5/16-24UNF
SER207-22
34.925
1 3/8
72
42.9
23.8
17.5
3.18
1.65
5.6
78.6
6.5
5/16-24UNF
SER207
35
72
42.9
23.8
17.5
3.18
1.65
5.6
78.6
6.5
M8x1.0
上一页
1
2
下一页
>>
<<