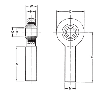
Scan to online chat| Select | Inquiry | 型号 | 主要尺寸 (mm) | 允许角度 | 额定载荷 (kN) | 重量 | ||||||||||||
|---|---|---|---|---|---|---|---|---|---|---|---|---|---|---|---|---|---|---|
| B | W | O | H | D | F | K | J | L | A/F | A | Thread M | α | 径向 | 角度 | (g) | |||
| SA 6E R/L H. | 6 | 6 | 9 | 4 | 20 | 36 | - | - | - | - | 22 | 6X1.0 | 12 | 9 | 3 | 14 | ||
| SA 8E-F R/L H. | 8 | 8 | 10 | 5 | 23 | 42 | - | - | - | - | 25 | 8X1.0 | 12 | 15 | 5 | 24 | ||
| SA 8E R/L H. | 8 | 8 | 10 | 5 | 23 | 42 | - | - | - | - | 25 | 8X1.25 | 12 | 15 | 5 | 24 | ||
| SA 10E-F R/L H. | 10 | 9 | 12 | 6 | 28 | 48 | - | - | - | - | 29 | 10X1.25 | 14 | 20 | 7 | 41 | ||
| SA 10E R/L H. | 10 | 9 | 12 | 6 | 28 | 48 | - | - | - | - | 29 | 10X1.5 | 14 | 20 | 7 | 41 | ||
| SA 12F-F R/L H. | 12 | 10 | 15 | 7 | 32 | 54 | - | - | - | - | 33 | 12X1.25 | 14 | 25 | 8 | 67 | ||
| SA 12E R/L H. | 12 | 10 | 15 | 7 | 32 | 54 | - | - | - | - | 33 | 12X1.75 | 14 | 25 | 8 | 67 | ||
| SA 15ES-F R/L H. | 15 | 12 | 19 | 9 | 38 | 63 | - | - | - | - | 36 | 14X1.5 | 12 | 35 | 12 | 110 | ||
| SA 15ES R/L H. | 15 | 12 | 19 | 9 | 38 | 63 | - | - | - | - | 36 | 14X2.0 | 12 | 35 | 12 | 110 | ||
| SA 17ES-F R/L H. | 17 | 14 | 21 | 10 | 44 | 69 | - | - | - | - | 40 | 16X1.5 | 12 | 42 | 14 | 163 | ||
| SA 17ES R/L H. | 17 | 14 | 21 | 10 | 44 | 69 | - | - | - | - | 40 | 16X2.0 | 12 | 42 | 14 | 163 | ||
| SA 20ES R/L H. | 20 | 16 | 25 | 12 | 51 | 78 | - | - | - | - | 47 | 20X1.5 | 12 | 55 | 18 | 270 | ||
| SA 25ES R/L H. | 25 | 20 | 31 | 16 | 62 | 94 | - | - | - | - | 57 | 24X2.0 | 12 | 78 | 26 | 508 | ||