Junyuebearing01@hotmail.com
Skype:dacbearing
EN |
中
首页
关于我们
公司介绍
使命与愿景
产品中心
深沟球轴承
圆柱滚子轴承
调心滚子轴承
自调心球轴承
角接触球轴承
圆锥滚子轴承
推力球轴承
推力滚子轴承
带座轴承
轧机轴承
印刷机轴承
油田轴承
滚针轴承
关节轴承
螺旋滚子轴承
最新现货
客户服务
售后服务
我们的优势
行业新闻
联系我们
获取报价
请求报价
请填写下面的表格,我们会直接与您联系
首页
/
产品目录
/
圆锥滚子轴承
/
公制圆锥滚子轴承
/
单列圆锥滚子轴承
/
30300 系列
产品目录
深沟球轴承
单列深沟球轴承
双列深沟球轴承
圆柱滚子轴承
圆柱滚子轴承
偏心轴承
调心滚子轴承
22200 系列
22300 系列
21300 系列
23000 系列
23100 系列
23200 系列
23900 系列
24000 系列
24100 系列
MB 系列
BS 系列
调心球轴承
1200 系列
1300 系列
2200 系列
2300 系列
角接触球轴承
单列角接触球轴承
双列角接触球轴承
四点角接触球轴承
圆锥滚子轴承
公制圆锥滚子轴承
英制圆锥滚子轴承
推力球轴承
51100 系列
51200 系列
51300 系列
51400 系列
推力滚子轴承
推力调心滚子轴承
推力圆柱滚子轴承
带座轴承
UCP 系列
UCF 系列
UCFL 系列
UCT 系列
UCFC 系列
UCPH200 系列
UCHA200 系列
UCPA 系列
冲压钢带座轴承
外球面轴承
轧机轴承
FC 系列
NNU 系列
FCD 系列
背衬轴承
印刷机轴承
海德堡机系列
罗兰印机系列
其它行业非标
直线轴承
油田轴承
油田用轴承
转盘轴承
滚针轴承
HK 系列
BK 系列
NA 系列
NATR 系列
NK 系列
RNA 系列
NUTR 系列
K 系列
关节轴承
GE...(E)ES
GE...(E)ES-2RS
GE...FW
GE...FW-2RS
GE...HO-2RS
GE...LO
GE...UK
GE...UK-2RS
GEBJ...S
GEBK...S
GEG...(E)ES
GEG...(E)ES-2RS
杆端关节轴承
球头杆端关节轴承
螺旋滚子轴承
库存
询价
品牌
型号.
数量
DAC
NN3022K/
99
DAC
NN3021K/P42
1
DAC
NN3020K/
771
DAC
NN3020K/P4W33
1
DAC
NN3020K/P2
3
DAC
NN3019K/ W33
96
DAC
NN3019K/ 2W33
2
DAC
NN3019K/
586
DAC
NN3018K/ 2
36
DAC
NN3017K/ W33
210
DAC
NN3017K/ 2
1
DAC
NN3017K/
472
DAC
NN3016K/
297
DAC
NN3016/P4
19
DAC
NN3015K/
419
DAC
NN3015K/P4W33
92
DAC
NN3015K/P4
4
DAC
NN3014K/ W33
350
DAC
NN3014K/
361
DAC
NN3013K/P4W33
1
关键词
型号
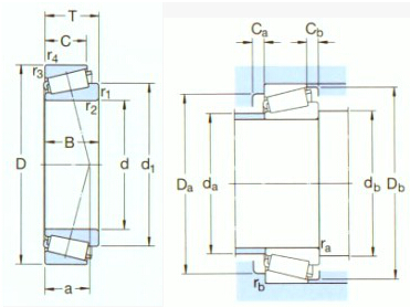
d:
D:
B:
高级搜索
实物图
二维图
下载
PDF
实物图
二维图
联系方式
Junyuebearing01@hotmail.com
电话:010-57260382
Skype:dacbearing
Wechat:
Scan to online chat
30300 系列
根据技术参数搜索
提交需求
系列对比
>>
<<
Select
Inquiry
型号
主要尺寸(mm)
基本额定载荷(KN)
Pu
极限转速(rpm)
重量(Kg)
ISO335
尺寸(mm)
安装相关尺寸(mm)
值
d1
D
B
动态(Cr)
静态(Cor)
额定转速
极限转速
Dimensions (ABMA)
d
d1~
B
C
r1,2(min)
r3,4(min)
a
da(max)
db(min)
Da(min)
Da(max)
Db(min)
Ca(min)
Cb(min)
ra(max)
rb(max)
e
Y
Yo
30303J2
17
47
15.25
28.1
25
2.75
12000
16000
0.13
2FB
17
30.4
14
12
1
1
10
25
23
40
41
42
2
3
1
1
0.28
2.1
1.1
32303J2/Q
17
47
20.25
40
33.5
3.65
12000
16000
0.17
2FD
17
30.7
19
16
1
1
12
24
23
39
41
43
3
4
1
1
0.28
2.1
1.1
30304J2/Q
20
52
16.25
39
32.5
3.6
12000
14000
0.17
2FB
20
34.3
15
13
1.5
1.5
11
28
27
44
45
47
2
3
1.5
1.5
0.3
2
1.1
30305J2
25
62
18.25
44.6
43
4.75
9000
12000
0.26
2FB
25
41.5
17
15
1.5
1.5
13
34
32
54
55
57
2
3
1.5
1.5
0.3
2
1.1
30306J2/Q
30
72
20.75
64
56
6.4
8000
10000
0.39
2FB
30
48.4
19
16
1.5
1.5
15
41
37
62
65
66
3
4.5
1.5
1.5
0.31
1.9
1.1
30307J2/Q
35
80
22.75
83
73.5
8.3
7500
9000
0.52
2FB
35
54.5
21
18
2
1.5
16
46
44
70
71
74
3
4.5
2
1.5
0.31
1.9
1.1
30308J2/Q
40
90
25.25
100
95
10.8
6300
8000
0.72
2FB
40
62.5
23
20
2
1.5
19
53
49
77
81
82
3
5
2
1.5
0.35
1.7
0.9
30309J2/Q
45
100
27.25
125
120
14.3
5600
7000
0.97
2FB
45
70.1
25
22
2
1.5
21
59
53
86
91
92
3
5
2
1.5
0.35
1.7
0.9
30310J2/Q
50
110
29.25
143
140
16.6
5300
6300
1.25
2FB
50
77.2
27
23
2.5
2
23
65
60
95
100
102
4
6
2
2
0.35
1.7
0.9
30311J2/Q
55
120
31.5
166
163
19.3
4800
5600
1.55
2FB
55
84
29
25
2.5
2
24
71
65
104
112
111
4
6.5
2
2
0.35
1.7
0.9
30312J2/Q
60
130
33.5
168
196
23.6
4000
5300
1.95
2FB
60
91.9
31
26
3
2.5
26
77
72
112
118
120
5
7.5
2.5
2
0.35
1.7
0.9
30313J2/Q
65
140
36
194
228
27.5
3600
4800
2.40
2GB
65
98.6
33
28
3
2.5
28
84
77
122
128
130
5
8
2.5
2
0.35
1.7
0.9
30314J2/Q
70
150
38
220
260
31
3400
4500
2.90
2GB
70
105
35
30
3
2.5
29
90
82
130
138
140
5
8
2.5
2
0.35
1.7
0.9
30315J2/Q
75
160
40
246
290
34
3200
4300
3.45
2GB
75
112
37
31
3
2.5
31
96
87
139
148
149
5
9
2.5
2
0.35
1.7
0.9
30316J2
80
170
42.5
270
320
38
3000
4300
4.10
2GB
80
120
39
33
3
2.5
33
102
92
148
158
159
5
9.5
2.5
2
0.35
1.7
0.9
30317J2
85
180
44.5
303
365
40.5
2800
4000
4.85
2GB
85
126
41
34
4
3
35
107
99
156
166
167
6
10.5
3
2.5
0.35
1.7
0.9
30318J2
90
190
46.5
330
400
44
2600
4000
5.65
2GB
90
132
43
36
4
3
36
113
105
165
176
176
6
10.5
3
2.5
0.35
1.7
0.9
30319
95
200
49.5
330
390
42.5
2600
3400
6.70
2GB
95
139
45
38
4
3
39
118
110
172
186
184
6
11.5
3
2.5
0.35
1.7
0.9
30320J2
100
215
51.5
402
490
53
2400
3200
8.05
2GB
100
148
47
39
4
3
40
127
115
184
201
197
6
12.5
3
2.5
0.35
1.7
0.9
30322J2
110
240
54.5
473
585
62
2200
2800
11.0
2GB
110
165
50
42
4
3
43
142
125
206
226
220
8
12.5
3
2.5
0.35
1.7
0.9
上一页
1
2
下一页
>>
<<