• Junyuebearing01@hotmail.com
  • Skype:dacbearing

PRODUCT

Inventory

InquiryBrandBearing No.Qty
531 8020-3350 8
530 8020-1590 1
529 8016-675 1
528 8010-1285 3
527 6312-2300 2
526 6312-2050 18
525 6312-1930 2
524 6312-1815 8
523 6312-1747 2
522 6312-1680 17
521 6312-1370 12
520 6312-1190 1
517 6310-2655 1
516 6310-2192 20
515 6310-2004 1
514 6310-1908 1
513 6310-1688 3
512 6310-1628 19
511 6310-1600 1
510 6310-1459 3
MR Series
MR Series
  • MR Series
  • MR Series

MR Series

Hot tags:mr series bearings, China, manufacturers, suppliers, factory, buy, price, stock, size, specification, sample
>>
<<
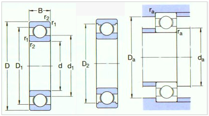
SelectInquiryDesignationPrincipal dimensions(mm)Basic load ratings(N)Basic load ratings{kgf} Speed ratings(rpm) Abutment and fillet dimensions (mm)Weight(g)
With shiledOpen typeWith seal VVWith seal DDdDBB1r(min)CrCorCrCorGreaseOil da(min)db(max)Da(Max)Db(min)ra(max)rb(max)Open typeWith shiled
ZZD·DZ
MR31 - - - 1 3 15 - 0.05 80 23 8 2.5 130000 - 150000 1.4 - 2.6 - 0.05 - 0.04 -
MR41X MR41XZZ - - 1.2 4 1.8 2.5 0.1 138 35 14 3.5 110000 - 130000 2 1.9 3.2 3.5 0.1 0.1 0.1 0.14
MR52B MR52BZZ - - 2 5 2 25 0.1 187 58 19 6 85000 - 100000 2.8 2.7 4.2 4.4 0.1 0.1 0.16 0.23
MR62 MR62ZZ - - 2 6 25 2.5 0.15 330 98 34 10 75000 - 90000 3.2 3 4.8 5.2 0.15 0.15 0.3 0.29
MR72 MR72ZZ - - 2 7 25 3 0.15 385 127 39 13 63000 - 75000 3.2 3.8 5.8 6.2 0.15 0.15 0.45 0.49
MR82X - - - 2.5 8 25 - 2 560 179 57 18 60000 - 67000 4.1 - 6.4 - 0.2 - 0.56 -
MR63 MR63ZZ - - 3 6 2 2.5 0.1 208 74 21 7.5 71000 - 80000 3.8 3.7 5.2 5.4 0.1 0.1 0.2 0.27
MR83 - - - 3 8 2.5 - 0.15 560 179 57 18 60000 - 67000 4.2 - 6.8 - 0.15 - 0.54 -
MR93 MR93ZZ - - 3 9 25 4 0.2 570 187 58 19 56000 - 67000 4.6 4.3 7.4 7.9 0.2 0.15 0.73 1.18
MR74 - - - 4 7 2 - 0.1 310 115 32 12 60000 - 67000 4.8 - 6.2 - 0.1 - 0.22 -
- MR74ZZ - - 4 7 - 25 - 255 107 26 11 60000 - 71000 - 4.8 - 6.3 - 0.1 - 0.29
MR84 MR84ZZ - - 4 8 2 3 0.15 395 139 40 14 56000 - 67000 5.2 5 6.8 7.4 0.15 0.1 0.36 0.56
MR104B MR104BZZ - - 4 10 3 4 0.2 710 270 73 28 50000 - 60000 5.6 5.9 8.4 8.8 0.2 0.15 1.04 1.42
MR85 - - - 5 8 2 - 0.1 310 120 31 12 53000 - 63000 5.8 - 7.2 - 0.1 - 0.26 -
- MR85ZZ - - 5 8 - 2.5 - 278 131 28 13 53000 - 63000 - 5.8 - 7.4 - 0.1 - 0.34
MR95 MR95ZZ1 - - 5 9 2.5 3 0.15 430 168 44 17 50000 - 60000 6.2 6 7.8 8.2 0.15 0.15 0.5 0.58
MR105 MR105ZZ - - 5 10 3 4 0.15 430 168 44 17 50000 - 60000 6.2 6 8.8 8.4 0.15 0.15 0.95 1.29
- MR115ZZ MR115VV - 5 11 - 4 - 715 276 73 28 48000 - 56000 - 6.3 - 9.8 - 0.15 - 1.49
MR106 MR106ZZ1 - - 6 10 2.5 3 0.15 495 218 51 22 45000 - 53000 7.2 7 8.8 9.3 0.15 0.1 0.56 0.68
MR126 MR126ZZ - MR126DD 6 12 3 4 0.2 715 292 73 30 43000 40000 50000 7.6 7.2 10.4 10.9 0.2 0.15 1.27 1.74
Previous12Next
>>
<<