• Junyuebearing01@hotmail.com
  • Skype:dacbearing

PRODUCT

Inventory

InquiryBrandBearing No.Qty
531 8020-3350 8
530 8020-1590 1
529 8016-675 1
528 8010-1285 3
527 6312-2300 2
526 6312-2050 18
525 6312-1930 2
524 6312-1815 8
523 6312-1747 2
522 6312-1680 17
521 6312-1370 12
520 6312-1190 1
517 6310-2655 1
516 6310-2192 20
515 6310-2004 1
514 6310-1908 1
513 6310-1688 3
512 6310-1628 19
511 6310-1600 1
510 6310-1459 3
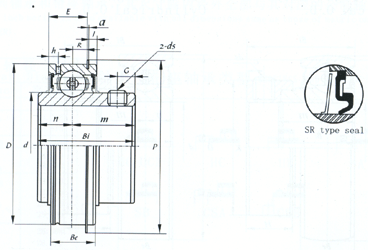
SER Series
SER Series
  • SER Series
  • SER Series

SER Series

Hot tags:ser series bearings, China, manufacturers, suppliers, factory, buy, price, stock, size, specification, sample